CB
(체인블럭)
세계에서 인정 받는 최고 레벨 체인블럭
- 제품 특징
-
최적의 설계로 초소형, 경량화를 달성하여 사용이 매우 용이
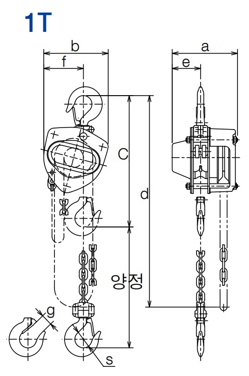
1T 사양 기준 자체 중량이 불과 11.5kg
1T 사양 기준 후크 간 최소거리 295mm
최고의 성능, 동작 수동력 극대화
간편한 조작성으로 작업능률 향상
세계 최고의 Load Chain (파단응력 1000N/㎟)과 높은 브레이크 성능은 안전한 작업을 보장



